Отвечаем на вопросы по пожарной безопасности
Попробуйте найти аналогичную тему среди 4819 имеющихся вопросов по пожарной безопасности или
Задайте свой вопрос 
» » 🔥Типовые решения по устройству поэтажных переходов через наружную воздушную зону

🔥Типовые решения по устройству поэтажных переходов через наружную воздушную зону

  • 0
2019-05-16 08:33 0
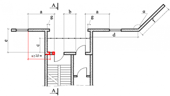
У нас в проекте имеется лестничная клетка типа Н1. Воздушная зона попадает во внутренний угол, образованный наружными стенами, величина угла 135°, т.е. в соответствии с п.4.4.9 СП 1.13130.2009 изм.1, дополнительных мероприятий по обеспечению незадымляемости перехода предусматривать не требуется. Вместе с тем, наш вариант выполнения перехода через воздушную зону не соответствует ни одному варианту из приложения Г СП 7.13130.2013, т.к. во всех вариантах из данного приложения угол, образованный наружными стенами, расположен за пределами воздушной зоны. Вопрос: является ли конфигурация перехода через воздушную зону, выполненная в нашем проекте, неверной, или следует руководствоваться п.4.4.9 СП 1.13130.2009, т.к. величина внутреннего угла составляет 135°?
2019-05-16 08:33
  • 0
Николай Морозов
Ответил эксперт:
Требования пожарной безопасности к конструктивными и объемно-планировочными решениям незадымляемых лестничных клеток типа Н1 установлены п.4.4.9 СП 1.13130.2009 "Системы противопожарной защиты. Эвакуационные пути и выходы" (в редакции от 09.12.2010).
Пунктом 8.3 и обязательным приложением "Г" СП 7.13130.2013 "Отопление, вентиляция и кондиционирование. Противопожарные требования" установлены типовые решения по устройству поэтажных переходов через наружную воздушную зону к незадымляемым лестничным клеткам типа Н1.
Пунктом 5.4.16 СП 2.13130.2012 "Системы противопожарной защиты. Обеспечение огнестойкости объектов защиты" установлены дополнительные требования пожарной безопасности, а именно, в наружных стенах лестничных клеток типа Н1 должны быть предусмотрены на каждом этаже окна, открывающиеся изнутри без ключа и других специальных устройств, с площадью остекления не менее 1,2 кв.м. Устройства для открывания окон должны быть расположены не выше 1,7 м от уровня площадки лестничной клетки или пола этажа.
Соответственно, конструктивные и объемно-планировочные решения лестничных клеток типа Н1 должны соответствовать типовым решения по устройству поэтажных переходов через наружную воздушную зону к незадымляемым лестничным клеткам типа Н1 (п.8.3, приложение "Г" СП 7.13130.2013) с учетом п.4.4.9 СП 1.13130.2009 и п.5.4.16. СП 2.13130.2012.
К примеру:

Если не можете найти нужное решение, задайте свой вопрос!

Пожалуйста, более подробно опишите Вашу ситуацию (не менее 150зн).
Услуга бесплатна.

Закажите звонок эксперта по пожарной безопасности!
Перезвоним моментально:

Услуга бесплатна.