Отвечаем на вопросы по пожарной безопасности
Попробуйте найти аналогичную тему среди 4821 имеющихся вопросов по пожарной безопасности или
Задайте свой вопрос 
» » 🔥Двери лестничных клеток типа Н1 должны быть глухими или с армированным стеклом

🔥Двери лестничных клеток типа Н1 должны быть глухими или с армированным стеклом

  • 0
2019-04-23 10:11 0
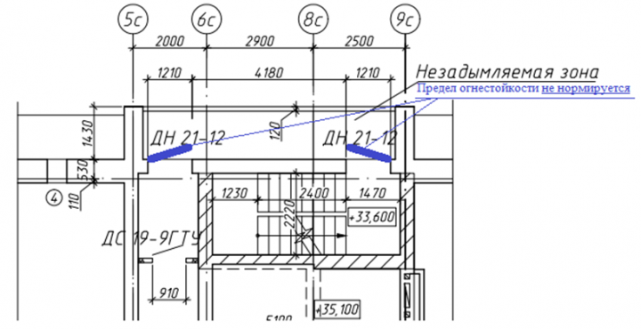
Нормируется ли предел огнестойкости дверей при выходах с технических этажей, которые предусмотрены через воздушную зону незадымляемой лестничной клетки по фрагменту плана, приложенного в файле?
Согласно п.7.6 СП 4.13130.2013  требования по противопожарным заполнениям проемов предъявляются только при выходах на чердак с лестничных клеток.
2019-04-23 10:11
  • 0
Николай Морозов
Ответил эксперт:
Конструктивные и объемно-планировочные решения лестничных клеток типа Н1 должны соответствовать типовым решения по устройству поэтажных переходов через наружную воздушную зону к незадымляемым лестничным клеткам типа Н1 (п.8.3 , приложение "Г" СП 7.13130.2013 "Отопление, вентиляция и кондиционирование. Противопожарные требования")  с учетом п.4.4.9 СП 1.13130.2009 "Системы противопожарной защиты. Эвакуационные пути и выходы"  (в редакции от 09.12.2010) и п.5.4.16 СП 2.13130.2012 "Системы противопожарной защиты. Обеспечение огнестойкости объектов защиты"  (ред. от 23.10.2013).
В соответствии с п.4.2.7 СП 1.13130.2009  двери эвакуационных выходов из поэтажных коридоров, холлов, фойе, вестибюлей и лестничных клеток не должны иметь запоров, препятствующих их свободному открыванию изнутри без ключа. В зданиях высотой более 15 м указанные двери, кроме квартирных, должны быть глухими или с армированным стеклом.
Лестничные клетки, как правило, должны иметь двери с приспособлением для самозакрывания и с уплотнением в притворах.
В лестничных клетках допускается не предусматривать приспособления для самозакрывания и уплотнение в притворах для дверей, ведущих в квартиры, а также для дверей, ведущих непосредственно наружу.
Двери эвакуационных выходов из помещений с принудительной противодымной защитой, в том числе из коридоров, должны быть оборудованы приспособлениями для самозакрывания и уплотнением в притворах. Двери этих помещений, которые могут эксплуатироваться в открытом положении, должны быть оборудованы устройствами, обеспечивающими их автоматическое закрывание при пожаре.
Характеристики устройств самозакрывания дверей, расположенных на путях эвакуации, должны соответствовать усилию для беспрепятственного открывания дверей человеком, относящимся к основному контингенту, находящемуся в здании (ребенок, инвалид и т.п.).
В соответствии с п.5.4.16 СП 2.13130.2012  в обычных лестничных клетках зданий высотой не более 15 м и зданий классов функциональной пожарной опасности Ф1.3 и Ф1.4, независимо от их высоты, допускается предусматривать двери с ненормируемым пределом огнестойкости. При этом в зданиях высотой более 15 м указанные двери должны быть глухими или с армированным стеклом.
Двери незадымляемых лестничных клеток типа Н2 и Н3 (кроме наружных дверей) должны быть противопожарными 2-го типа для зданий высотой до 50 м и 1-го типа для зданий высотой 50 м и более.
Соответственно, двери лестничных клеток типа Н1 и двери, установленные на выходе из коридоров на открытый переход через наружную воздушную зону, ведущий к незадымляемым лестничным клеткам типа Н1, должны быть глухими или с армированным стеклом. Данные двери допускается предусматривать с ненормируемым пределом огнестойкости.

Если не можете найти нужное решение, задайте свой вопрос!

Пожалуйста, более подробно опишите Вашу ситуацию (не менее 150зн).
Услуга бесплатна.

Закажите звонок эксперта по пожарной безопасности!
Перезвоним моментально:

Услуга бесплатна.