Отвечаем на вопросы по пожарной безопасности
Попробуйте найти аналогичную тему среди 4821 имеющихся вопросов по пожарной безопасности или
Задайте свой вопрос 
» » Добрый день. В проекте одноэтажного производственного здания класса Ф 5.1 внутренняя система хоз-б...

Добрый день. В проекте одноэтажного производственного здания класса Ф 5.1 внутренняя система хоз-б...

  • 0
2025-10-01 13:41 1
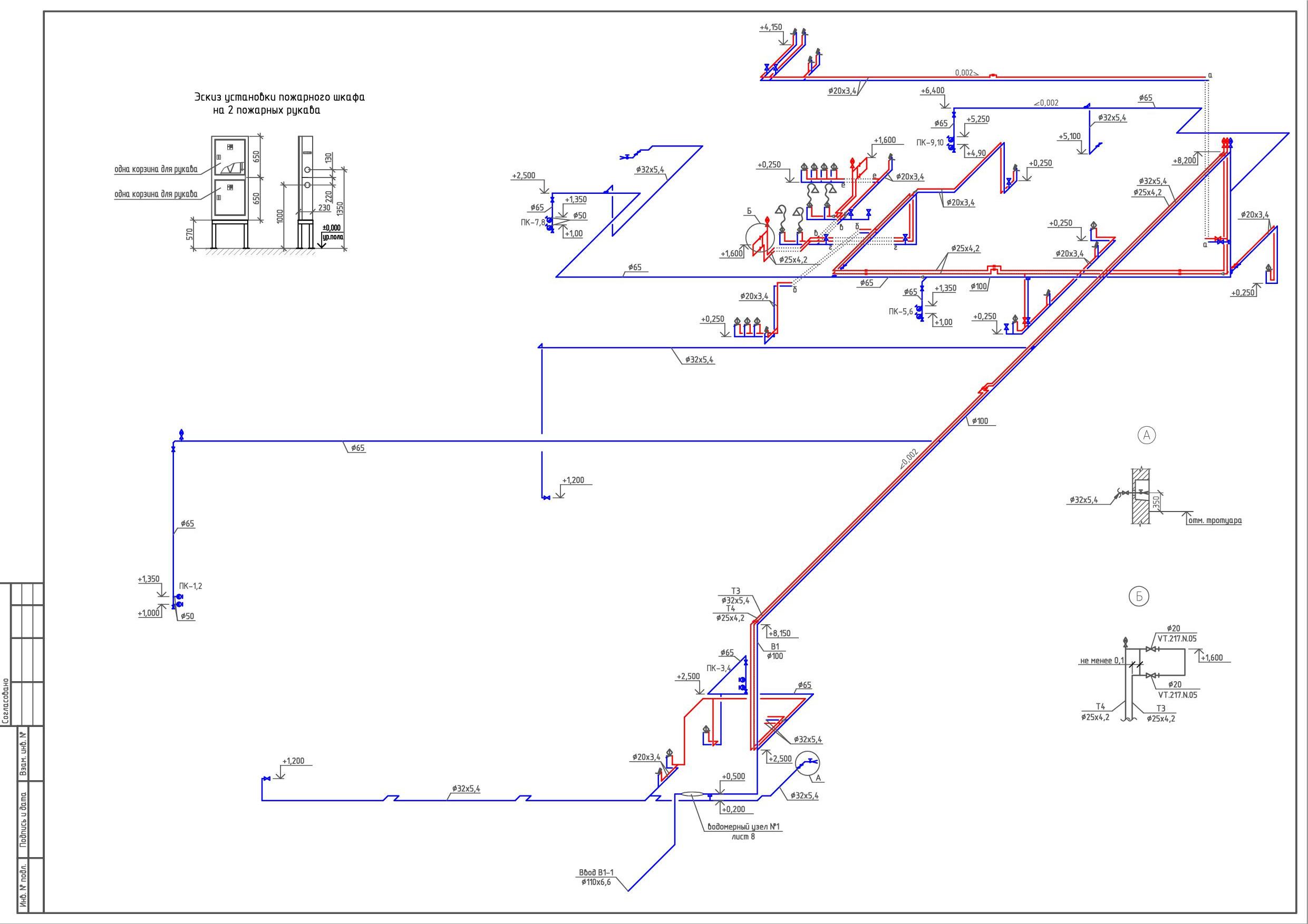
Добрый день. В проекте одноэтажного производственного здания класса Ф 5.1 внутренняя система хоз-бытового водопровода совмещена с пожарным водопроводом. Пожарных насосных установок на сети нет. Так как водопровод одновременно хоз- бытовой и пожарный на разводке сети стоят санприборы и пожарные краны. Нарушается ли этим требования пункта 14.1.12 СП 10.13330.2020 "14.1.12 Присоединение производственного и санитарно-технического оборудования к подводящим, питающим и распределительным трубопроводам ВПВ не допускается" или данный пункт не относится к объединенным сетям ?
  1. k-ira2008
    1 октября 2025 11:26 2025-10-01 11:26
    Хочу добавить, что санприборы присоединены к опускам и стоякам, используемым только для хоз-бытовых нужд. Присоединения каких либо приборов к опускам и стоякам, идущим к пожарным кранам, нет

Если не можете найти нужное решение, задайте свой вопрос!

Пожалуйста, более подробно опишите Вашу ситуацию (не менее 150зн).
Услуга бесплатна.

Закажите звонок эксперта по пожарной безопасности!
Перезвоним моментально:

Услуга бесплатна.