Отвечаем на вопросы по пожарной безопасности
Попробуйте найти аналогичную тему среди 4821 имеющихся вопросов по пожарной безопасности или
Задайте свой вопрос 
» » 🔥Нормирование расстояний от оконных проемов до кровли более низкой части здания

🔥Нормирование расстояний от оконных проемов до кровли более низкой части здания

  • 0
2019-05-06 14:38 0
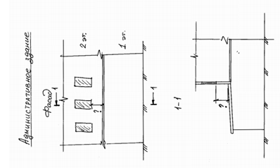
Есть ли требования по расположению оконных проемов над кровлей ниже расположенной части здания, при условии, что обе части здания - один пожарный отсек.
2019-05-06 14:38
  • 0
Николай Морозов
Ответил эксперт:
Общие требования по обеспечению огнестойкости объектов защиты, в том числе зданий, сооружений и пожарных отсеков, установлены Федеральным законом от 22 июля 2008 года N 123-ФЗ "Технический регламент о требованиях пожарной безопасности" (ред. от 23.06.2014), СП 2.13130.2012 "Системы противопожарной защиты. Обеспечение огнестойкости объектов защиты" (ред. от 23.10.2013), СП 4.13130.2013 "Системы противопожарной защиты. Ограничение распространения пожара на объектах защиты. Требования к объемно-планировочным и конструктивным решениям" (ред. от 18.07.2013).
В соответствии с п.5.4.13 СП 2.13130.2012 допускается в наружной части противопожарной стены размещать окна, двери и ворота с ненормируемыми пределами огнестойкости на расстоянии над кровлей примыкающего отсека не менее 8 м по вертикали и не менее 4 м от стен по горизонтали.
Исходя из представленной вами информации, возможно сделать вывод о том, что объект представляет собой здание класса Ф 4.3 по функциональной пожарной опасности (здания органов управления учреждений, проектно-конструкторских организаций, информационных и редакционно-издательских организаций, научных организаций, банков, контор, офисов), состоящее из одного пожарного отсека.
В этом случае требования п.5.4.13 СП 2.13130.2012 на ваш объект не распространяются.
Соответственно, в вашем конкретном случае не нормируются расстояния от оконных проемов до кровли более низкой части здания.

Если не можете найти нужное решение, задайте свой вопрос!

Пожалуйста, более подробно опишите Вашу ситуацию (не менее 150зн).
Услуга бесплатна.

Закажите звонок эксперта по пожарной безопасности!
Перезвоним моментально:

Услуга бесплатна.